My ExportersIndia

For Buyer

For Seller

For Help

Shanghai Yuanben Magnetoelectric Tech. Co. Ltd.
Write a Review

Our Products

  1. Electrical Switches 20 Products available
  2. Magnetic Switch 12 Products available
  3. Safety System & Equipments 10 Products available
  4. Sensors 9 Products available
  5. Pressure Switches 8 Products available
  6. Sensors And Transducers 7 Products available
  7. Proximity Switches 4 Products available
  8. Temperature Sensors 4 Products available
  9. Measuring Instruments 2 Products available
  10. Badges, Emblems & Lanyards 2 Products available
  11. Switches And Switch Boxes 1 Products available
  12. Water Level Sensors 1 Products available
  13. Valves & Valve Fittings 1 Products available
  14. Tags 1 Products available
  15. Temperature Switches 1 Products available
  16. Temperature Controller 1 Products available
  17. Drums 1 Products available
  18. Flow Switches 1 Products available
  19. Magnetic Separators 1 Products available
  20. Automotive Components 1 Products available
  21. Others Products 9 Products available

Electric Circuit Components & Parts

Leading Manufacturer, Supplier & Retailer of MEA-38 Absolute Magnetic Encoder.

MEA-38 Absolute Magnetic Encoder

Our storage facility is installed with all necessary amenities essential for the secure storage of the products. Also, we maintain complete hygiene inside the unit. Our organization has all the essential logistic resources and links to ensure on schedule delivery of order(s).

 

Description :

  • MEA Absolute Magnetic Encoder provides an integrated solution for angular detection.
  • With ease of use in mind, these magnetic encoders are ideal for angular detection within a complete 360° rotation. Based on magnetic technology, the encoder is non-contact and ensures reliable operations, motion control and sensing activities eliminates mechanical contact


Feature :

  • 10 or 12 bits resolution (1024 to 4096)
  • Contactless sensing technology
  • Absolute angular position detection
  • SSI output for absolute position data (binary format)
  • Wide temperature range from -40 to 125°C
  • Easy assembly and no signal adjustment required
  • RoHS compliant
  • Single-Ended or Differential Outputs for ABI Channels
  • U/V/W Commutation Outputs (Differential or Open-Collector)
  • Compatible withΦ6mm/Φ8mm/Φ10mm Size Diameters
  • Allows for ± .005" Axial Shaft Play


Applications of Encoder :

  • Drives
  • Rolling mills
  • Wind energy
  • Port machinery
  • Textile industries
  • Construction
  • Robotics
  • Farm machinery
  • Solar energy
  • Industrial doors

 

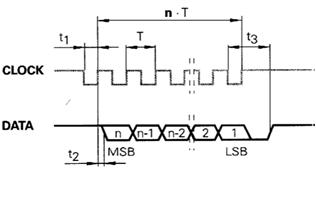
Protocol SSI Description :

  •  SSI is synchronous series signal. One pair is clock trigger and the other is data transmission for the actual two pairs RS422 The absolute position of the encoder is triggered by the clock signal of the receiving device from the high bit of binary code (MSB) and output the serial signal is Synchronous with the clock signal.
  • The clock signal starts from the receiving device and outputs certain amounts of interruptive pulses according to the total bits of the encoders. When non-operational, clock and data line levels are high and the current data will be memorized from the first falling edge of the clock signal.
  • Data transmission starts from the rising edge of the clock signal. Clock signals are synchronous to the data. t3 means the recovered signal waiting for the next transmission (The default is data increasing when facing to shaft clockwise).

Specifications

Series MEA
Supply Voltage 10-30Vdc or 5Vdc(order on demand)
Current Consumption <100mA
Interface SSI (Synchronous-Serial Interface) RS485,CANopen,PROFIBUS-DP and so   on can be ordered on demand.
Clock Input Via Opto-Coupler
Data Output Line-Driver According to RS 422
Singleturn Resolution 1024-4096 Steps / Revolution ( 10 Bit-12Bit   )
Singleturn Accuracy ±2BIT(Actual accuracy according to   precision of the actual installation and shaft concentricity)
Clock Frequency 0.1-1MHz(too fast frequency affects the   transmission distance)
Operating Temperature -25 - 70oC cable -15 - 70oC
Storage Temperature - 40oC - +85oC
Humidity 95% (Without Condensation)
RPM(Continuous Operation) Max. 12000 RPM (3000RPM with no   resolution decreased)
Protection Class IP65
Max. Shaft Load Axial 40N, Radial 110N
Start Torque <0.05 N.m
Vibration EN 60068-2-6 10g, 10-2000Hz
Shock EN 60068-2-27 100g, 6ms
Housing 38mm
Shaft Diameter Φ6mm/Φ8mm/Φ10mm
Connector Types Radial or axial shielded cable exit with   1 m length others type   can be ordered on demand
Flange Types&
Housing
Clamp flange or synchro flange with   aluminum housing and sealed double bearing structure

Graph


Download Detail File : Click Here

Wiring Instruction


Download Detail File : Click Here
View Complete Details
Tell Us What are you looking for? Will call you back

Contact Us