
Company Information
Ask for more detail from the seller
Contact SupplierWe offer nfr55, nfr60, nfr70, nfr80, nfr90, nfr100, nfr130 one way clutch beari. Type nfr is a bearing supported roller type freewheel without any sealing. Lubrication and sealing must be provided by the installation. Standard lubrication is oil. Size 8 to 20 units use steel on steel bearing support rom the inner race. Above size 20, two 160..series ball bearings are used, giving a higher overrunning speed capacity. A typical arrangement is shown overleaf.
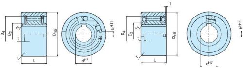
The inner race is keyed to the shaft. The outer race has a positive n6 tolerance to give a press fit in a housing to h7. Additional side notches provide for positive torque transmission. The housing must be strong enough to not expand after assembly.
Email:aodelongclutch@foxmail.com
http:www.aodclutch.com
type size overrunning speeds bearing weight
(anr-ang) dh7 tkn1) nimax2) namax3) dn6 d2 d4 l I t bh11 r r1
[mm] [nm] [min-1] [min-1] [mm] [mm] [mm] [mm] [mm] [mm] [mm] [mm] [mm] [kg]
8 20 1000 1000 * 37 20 30 20 3 6 1 1.5 0.1
12 20 1000 1000 * 37 20 30 20 3 6 1 1.5 0.1
15 78 850 850 * 47 26 37 30 3.5 7 1.5 1.5 0.3
20 188 650 650 * 62 37 52 36 3.5 8 2 2 0.6
25 250 2100 3600 16008** 80 40 68 40 0.2 4 9 2.5 2 1.2
30 500 1700 3200 16009** 90 45 75 48 0.2 5 12 2.5 2 1.8
35 663 1550 3000 16010** 100 50 80 53 1.2 6 13 2.5 2.5 2.4
40 1100 1150 2600 16011** 110 55 90 63 2.2 7 15 3 2.5 3.3
45 1500 1000 2400 16012** 120 60 95 63 2.2 7 16 3 2.5 4
50 2375 800 2150 16014** 130 70 110 80 2.7 8.5 17 3.5 3 5.7
55 2550 750 2000 16015** 140 75 115 80 4.2 9 18 3.5 3 6.5
60 4250 650 1900 16016** 150 80 125 95 3.2 9 18 3.5 3.5 8.9
70 5875 550 1750 16018** 170 90 140 110 1.1 9 20 3.5 3.5 13.5
80 10000 500 1600 16021** 190 105 160 125 0 9 20 4 3.5 19